客服热线
13867809252
客服热线
在线咨询
品牌: 台湾佳贺固力普AUTOGRIP
动力分类: 中实
结构分类: 油缸回转缸
功能分类: 高速型
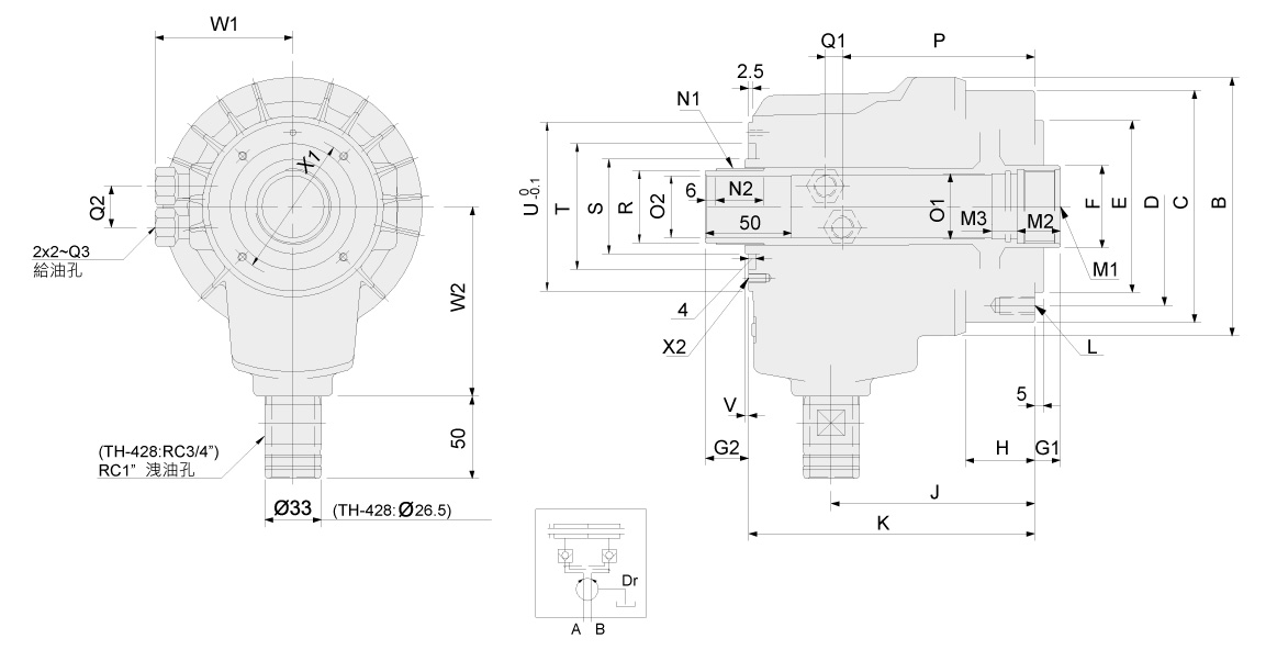
| 型号 | A | B | C | D | E (h7) | F | G max. | G min. | H | J | K | L | M (H8) | N | P | Q | R | S |
|---|---|---|---|---|---|---|---|---|---|---|---|---|---|---|---|---|---|---|
| RH-65 | 65 | 15 | 98 | 80 | 60 | 22 | 45 | 30 | 73 | 175 | M12x1.75x30 | 6~M8x16 | 14 | 4 | RC3/8 | 30 | 15 | 45 |
| RH-80 | 80 | 15 | 112 | 90 | 65 | 25 | 45 | 30 | 74 | 176 | M16x2.0x30 | 6~M8x16 | 17 | 4 | RC3/8 | 30 | 15 | 45 |
| RH-100 | 100 | 20 | 135 | 100 | 80 | 25 | 45 | 25 | 88.5 | 190.5 | M16x2.0x30 | 6~M10x20 | 17 | 4 | RC3/8 | 30 | 15 | 45 |
| RH-125 | 125 | 25 | 160 | 130 | 110 | 30 | 50 | 25 | 95.5 | 197.5 | M20x2.5x35 | 6~M12x20 | 21 | 4 | RC3/8 | 30 | 15 | 45 |
| RH-200 | 200 | 35 | 245 | 145 | 120 | 55 | 70 | 35 | 130 | 232 | M36X4 | 12~M16X30 | 38 | 5 | RC1/2 | 31 | 16 | 43 |

| 型号 | 活塞面积-押侧 cm2 | 活塞面积-拉侧 cm2 | 行程 (mm) | 最高回转数 min-1(r.p.m.) | 最高使用压力 MPa(kgf/cm2) | I kg‧m2 | 重量 (kg) |
|---|---|---|---|---|---|---|---|
| RH-65 | 31 | 27.9 | 15 | 6000 | 3.5(35) | 0.01 | 2.9 |
| RH-80 | 47.7 | 42.8 | 15 | 6000 | 3.5(35) | 0.01 | 3.4 |
| RH-100 | 75.4 | 70.5 | 20 | 5500 | 3.5(35) | 0.04 | 4.9 |
| RH-125 | 119.6 | 112.5 | 25 | 5500 | 3.5(35) | 0.08 | 6.8 |
| RH-200 | 310 | 286.3 | 35 | 4000 | 4.0(40) | 0.38 | 20.4 |